产品优势超高负载自重比超轻便机身,机械臂(含控制器)自重仅7.2Kg,有效负载达5Kg,峰值负载9Kg(全臂展),拥有1:1.44的负载自重比,有效工作半径最高达610mm。灵活部署超小体积,机械臂最大直径11.5cm,机座安装尺寸11cm,仿人手臂尺寸,大大降低了安装空间要求,更方便灵活。超低功率直流24V供电,可适用于移动电源,在满
产品优势
超高负载自重比
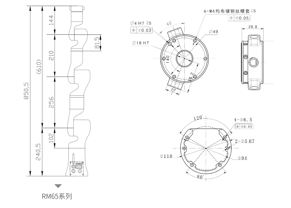
超轻便机身,机械臂(含控制器)自重仅7.2Kg,有效负载达5Kg,峰值负载9Kg(全臂展),拥有1:1.44的负载自重比,有效工作半径最高达610mm。
灵活部署
超小体积,机械臂最大直径11.5cm,机座安装尺寸11cm,仿人手臂尺寸,大大降低了安装空间要求,更方便灵活。
超低功率
直流24V供电,可适用于移动电源,在满负载情况下最大功耗≤200W,综合功耗≤100W,可应用于多种场景。
集成控制器
无传统控制柜,将控制器与机械臂完美融为一体
超高兼容性
末端具备通用接口,灵活扩展,即插即用,一体化机械臂仍自带丰富接口,满足多行业应用需求扩展。
系统开放
开放的API函数库,支持C/C++/C#/Python编程语言,支持Windows/Linux/ROS机器人操作系统及多种通讯协议。
安全灵敏
灵敏的拖拽编程,可完整复现拖动轨迹;可设定防护等级,碰撞达到力矩上限,机械臂及时停止,避免人或设备受到伤害。
无线便捷互联
智能终端可通过有线和无线连接控制机械臂,任意切换,方便快捷,摆脱控制线缆束缚。
一体化模块化
一体化、模块化设计,拆装更便捷,维护成本低,效率更高。
RM65-B
自由度: 6
有效负载 :5kg
本体重量 :7.2kg
重复定位精度: ±0.05mm
工作半径 :610mm
供电电压: DC24V
功耗 :最大功耗≤200W 综合功耗≤100W
防护等级: IP54(机械臂本体)
材质: 铝合金
控制器: 集成
通讯方式:WIFI/网口/蓝牙/USB串口/RS485
控制方式:拖拽示教/示教器/API/JSON
关节运动范围 :J1 ±178°、 J2 ±130° 、J3 ±135°
J4 ±178° 、J5 ±128° 、J6 ±360°
关节最大速度:J1-J2 180°/s 、J3-J6 225°/s


